全国服务热线:
+86-372-2595077/2595078/2595088
用途:
本系列电磁铁适用于螺纹插装式液压控制阀中,跟常规液压阀相比,具有结构紧凑、反应灵敏、拆装方便、性能可靠等优点,它可直接装入集装块的内腔中,减少了漏油、振动、噪音和配管引起的故障,提高了可靠性,可以获得液压控制阀技能,如:方向、压力或流量控制。广泛应用于工程机械,农业机械,冶金、建材机械等领域。
正常工作条件
● 可任意方向安装。
● 使用环境中应无足以腐蚀金属和破坏绝缘的气体和尘埃。否则,可能影响产品寿命。
● 电磁铁适合长期工作制、断续周期工作制。
● 电源电压的合理波动范围为85%-110%(特殊要求可订货时提出)。
主要技术参数
型号 | MFZ15-17YC(DT) | MFZ15-17YC(DIN) | MFZ15-17YC(LW) |
额定电压 (V) | 1327 | 1327 | 1327 |
额定吸力 (N) | ≥13 | ≥13 | ≥13 |
额定行程 (mm) | 2 | 2 | 2 |
全行程 (mm) | ≥4.2 | ≥4.2 | ≥4.2 |
消耗功率 (W) | 20W/25W | 20W/25W | 20W/25W |
承受油压 (Mpa) | 16 | 16 | 16 |
防护等级 | IP69K | IP67 | IP65 |
订货代号
阀用电磁铁 | 直流 | 设计序号 | 湿式 | 功率 | 接头方式 |
MF | Z | 15-17 | YC | 20/25 | DT/DIN/LW |
行程-力特性曲线

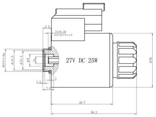
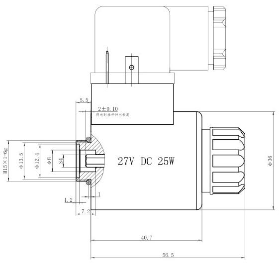
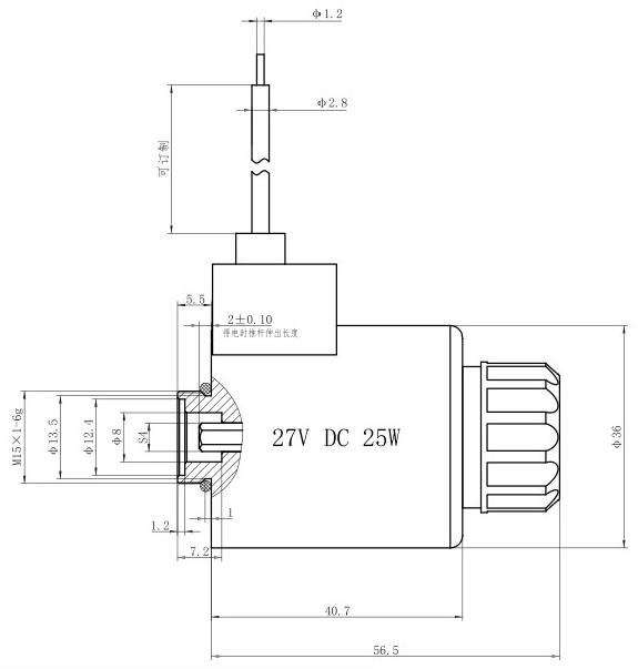
外形及安装尺寸
MFZ15-17YC(DT)

MFZ15-17YC(DIN)

MFZ15-17YC(LW)

使用注意事项
● 电磁铁的手动推杆用于在调试时或紧急情况下,进行手动控制。但当系统背压较高,调节困难时,请使用十字螺丝刀缓推手动推杆,不宜使用冲击力,以免破坏手动推杆和导向内孔表面,造成电磁铁漏油或不能复位。
● 当双向使用电磁铁时,一定要保证两个电磁铁不能同时通电,以免电磁阀不能正常工作。
● 电气控制系统与电磁铁连接部分之间应设有过流保护装置,以免在非正常情况下,烧毁电磁铁及您的电控元件。
样本说明
● 如顾客有不同的需要,在电磁铁性能不变的情况下,电磁铁与阀体的联结尺寸、推杆伸出长度及工作电源电压可以根据要求调整。
● 特性曲线仅供参考。
中文(简体)
English
Русский
Espa?ol